Lathe Turret Alignment
|Mazak - QTS200M
Standard:
- Typ Lathe Turret Alignment
- Artikelnummer 490.137.00201
TAC Messtechnik Contact Details
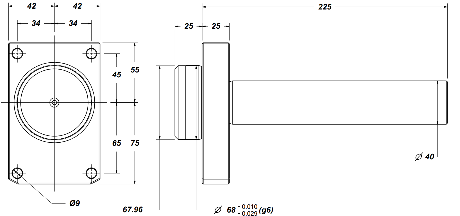
Lathe Turret Alignment Bar for Mazak QTS200M Includes storage case and certificate
Lathe Turret Alignment Bar (490.137)
Lathe turret test bars provide an easy way to verify turret perpendicularity. Bars are installed in the turret like a standard tool. Test bars have an accuracy of 0.003mm (0.00012 inch) and include a carrying case and certificate.
-
490.137.00201
-
490.137.89442
-
490.137.88752
-
490.137.87223
-
490.137.86338.1
-
490.137.86338
-
490.137.79807
-
490.137.00209
-
490.137.00202
-
490.137.00193
